info@skoaa.co.in
+918700288239
Media
Resource center
Home
About us
Skoaa Applications & Solutions
Residential Space
Hospitality
Office Area
Commercial Frontage
Healthcare
Products
Main Categories
Hydraulic Patch Fittings
Floor Springs
Patch Fittings & Locks
Glass Door Handles
Sliding System
Shower Enclosure Fittings
Shower Accessories
Spider & Canopy Fittings
360° Solutions
Contact
Media
Resource center
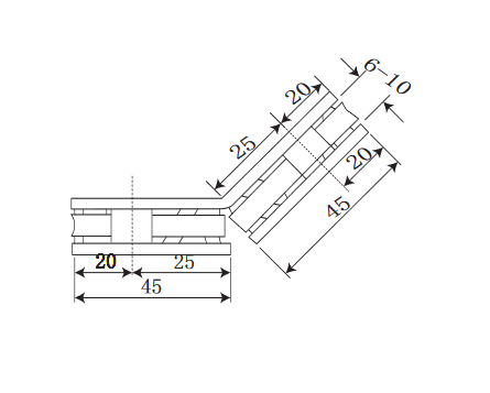
SGC 2A
Specifications
Enquiry
Used for Strengthening & Support glass structure
Straight line round edge design for an ultra premium look
Includes gaskets to prevent glass damage
Material: High Quality Brass
Finish: Bright Chrome polish
Send enquiry