SSSH 22
Specifications
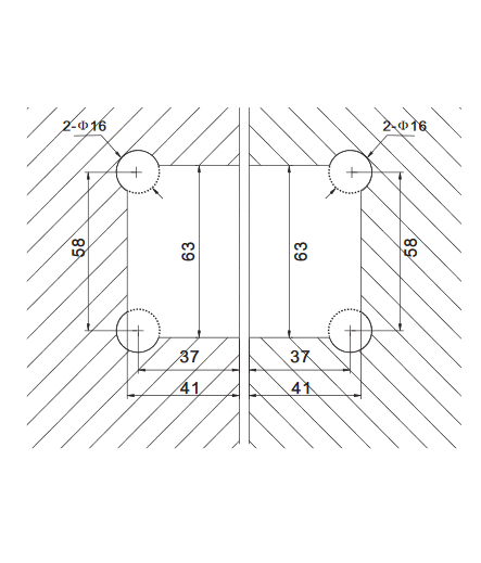
Enquiry- Glass to glass hinge 180degree
- Can be used for double action door
- Material : Stainless Steel 304 Grade
- Comes With gaskets to prevent glass damage
- Glass thickness 8 mm to 10mm tempered glass
- Finish : Bright Chrome Polish


